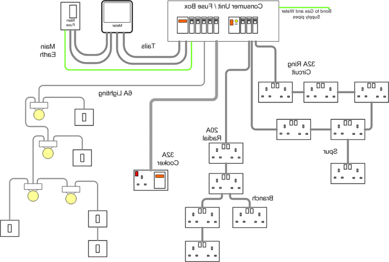
Quel est le rôle du câble de mise à la terre dans une installation électrique
Le câble de mise à la terre protège contre les chocs électriques en dirigeant les courants de fuite vers la terre, assurant ainsi sécurité et stabilité.
Quel est le rôle du câble de mise à la terre dans une installation électrique Leer más »












































